北京華光科達科技有限公司
聯系人:丁經理
手機:18611715668
E-mail:bjhgkd@163.com
地址:北京市通州區北苑155號
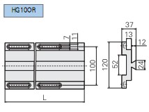
HG10OR 系列滑軌
發布時間:2012-05-31 06:50:57 人氣:1450 來源:本站

主要特征:
● 與 HG101HK- HG104HK滑動座配套,可將各種調整架組合成同軸的光學系統;
● 附有標尺,便于清楚表示出各調整架之間的距離;
● 上部的燕尾座可以方便地與滑動座配合滑移,并能鎖緊;
● 優質鋁型材,不變形,重量輕,易搬動。
技術指標:
| 型號 | HG10OR500 | HG10OR1000 | HG10OR1500 | HG10OR2000 |
| L(mm) | 500 | 1000 | 1500 | 2000 |
| 自重(kg) | 2.6 | 5.2 | 7.8 | 10.4 |
上一篇:沒有了!
下一篇:HG20OR 系列滑軌
相關新聞
- 電動位移臺的構成和工作形式 2022-09-09
- 使用手動平移臺的相關注意事項是什么 2022-09-09
- 電控位移臺的特點是什么? 2022-09-09
- 高精度電動位移臺是從什么時候走入到消費者視線 2022-09-09
- 交叉導軌的潤滑使用事項 2022-09-09
- 手動位移臺在工作中的三大特點 2022-09-09
- 怎樣保證電動位移的良好使用功能 2022-09-09
- 旋轉臺的6大特點,值得關注! 2022-09-09
- 手動位移臺的使用特點 2022-09-09
- 升降臺的工業應用及其如何保養維護 2022-09-09


客服